住所:
江蘇省常州市新北区西夏樹工業団地陽城湖路233-3号
• 短い刃の設計により、工具の耐摩耗性が大幅に向上し、ワークピースのより高い表面品質を実現できます。
• 主にHRC45~70の高硬度鋼材の加工、特に長時間加工が必要な精密金型部品に使用されます。
| いいえ。 | 直径 D | R角度 R | 刃長さ LC | 全長 L | シャンク径 d | 刃数 F |
| NNCH-2B-D1-L2 | 1 | 0.5 | 2 | 50 | 4 | 2 |
| NNCH-2B-D1.5-L3 | 1.5 | 0.75 | 3 | 50 | 4 | 2 |
| NNCH-2B-D1.5-L3 | 1.5 | 0.75 | 3 | 50 | 6 | 2 |
| NNCH-2B-D2-L4 | 2 | 1 | 4 | 50 | 4 | 2 |
| NNCH-2B-D2-L4 | 2 | 1 | 4 | 50 | 6 | 2 |
| NNCH-2B-D2.5-L5 | 2.5 | 1.25 | 5 | 50 | 4 | 2 |
| NNCH-2B-D2.5-L5 | 2.5 | 1.25 | 5 | 50 | 6 | 2 |
| NNCH-2B-D3-L6 | 3 | 1.5 | 6 | 50 | 4 | 2 |
| NNCH-2B-D3-L6 | 3 | 1.5 | 6 | 50 | 6 | 2 |
| NNCH-2B-D3.5-L7 | 3.5 | 1.75 | 7 | 50 | 4 | 2 |
| NNCH-2B-D3.5-L7 | 3.5 | 1.75 | 7 | 50 | 6 | 2 |
| NNCH-2B-D4-L8 | 4 | 2 | 8 | 50 | 4 | 2 |
| NNCH-2B-D4-L8 | 4 | 2 | 8 | 50 | 6 | 2 |
| NNCH-2B-D5-L9 | 5 | 2.5 | 9 | 50 | 6 | 2 |
| NNCH-2B-D6-L9 | 6 | 3 | 9 | 50 | 6 | 2 |
| NNCH-2B-D8-L12 | 8 | 4 | 12 | 60 | 8 | 2 |
| NNCH-2B-D10-L15 | 10 | 5 | 15 | 75 | 10 | 2 |
| NNCH-2B-D12-L18 | 12 | 6 | 18 | 75 | 12 | 2 |
| NNCH-2B-D4-L8 | 4 | 2 | 8 | 75 | 4 | 2 |
| NNCH-2B-D4-L8 | 4 | 2 | 8 | 75 | 6 | 2 |
| NNCH-2B-D6-L9 | 6 | 3 | 9 | 75 | 6 | 2 |
| NNCH-2B-D8-L12 | 8 | 4 | 12 | 75 | 8 | 2 |
| NNCH-2B-D6-L9 | 6 | 3 | 9 | 100 | 6 | 2 |
| NNCH-2B-D8-L12 | 8 | 4 | 12 | 100 | 8 | 2 |
| NNCH-2B-D10-L15 | 10 | 5 | 15 | 100 | 10 | 2 |
| NNCH-2B-D12-L18 | 12 | 6 | 18 | 100 | 12 | 2 |
| 加工品 | プリハードン鋼 40~50HRC | 硬化鋼 50~60HRC | 硬化鋼 60~68HRC | |||||||||
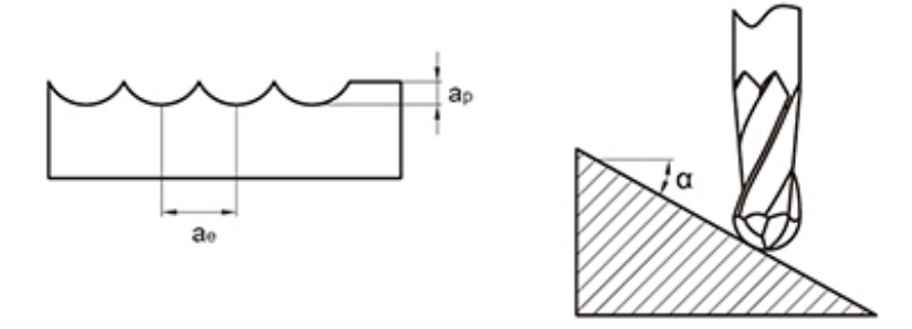
| ボールヘッド半径 (mm) | 回転速度 (分 -1 ) | 送り速度 (mm/分) | ある p (mm) | ある e (mm) | 回転速度 (分 -1 ) | 送り速度 (mm/分) | ある p (mm) | ある e (mm) | 回転速度 (分 -1 ) | 送り速度 (mm/分) | ある p (mm) | ある e (mm) |
| R0.5 | 40000 | 1900 | 0.01 | 0.05 | 36000 | 1500 | 0.01 | 0.05 | 32000 | 1400 | 0.01 | 0.05 |
| R1.0 | 33000 | 3100 | 0.02 | 0.075 | 26000 | 2100 | 0.02 | 0.075 | 24000 | 2000 | 0.02 | 0.075 |
| R1.5 | 29000 | 4100 | 0.03 | 0.1 | 23000 | 2900 | 0.03 | 0.1 | 21000 | 2600 | 0.03 | 0.1 |
| R2.0 | 22000 | 3900 | 0.04 | 0.15 | 17000 | 2500 | 0.04 | 0.15 | 15500 | 2100 | 0.04 | 0.15 |
| R2.5 | 17500 | 3500 | 0.05 | 0.15 | 13500 | 2200 | 0.05 | 0.15 | 13000 | 2000 | 0.05 | 0.15 |
| R3.0 | 15000 | 3100 | 0.06 | 0.2 | 11500 | 1700 | 0.06 | 0.2 | 10500 | 1500 | 0.06 | 0.2 |
| R4.0 | 11000 | 2500 | 0.08 | 0.25 | 8600 | 1600 | 0.08 | 0.25 | 8000 | 1400 | 0.08 | 0.25 |
| R5.0 | 9000 | 2000 | 0.1 | 0.3 | 7000 | 1400 | 0.1 | 0.3 | 6000 | 1200 | 0.1 | 0.3 |
| R6.0 | 7500 | 1800 | 0.1 | 0.35 | 5700 | 1300 | 0.1 | 0.35 | 5300 | 1200 | 0.1 | 0.35 |
| R8.0 | 5500 | 1800 | 0.1 | 0.4 | 4300 | 1300 | 0.1 | 0.4 | 4000 | 1200 | 0.1 | 0.4 |
| R10.0 | 4500 | 1800 | 0.1 | 0.5 | 3500 | 1300 | 0.1 | 0.5 | 3200 | 1200 | 0.1 | 0.5 |
| 最大切り込み深さ | | |||||||||||
1. 装置、治具は高精度、高剛性のものを使用してください。
2. 工作機械やワークの取り付け剛性が低い場合、振動や異音が発生する場合があります。この場合、上表の速度と送り速度を前年より下げる必要があります。
3.空冷またはMQL(最小限のオイルミスト冷却)を使用してください。
4. 側面加工には逐次加工を推奨します。
5. 工具の吊り下げ長さは干渉しない範囲で可能な限り短くしてください。
| ツールシリーズ | 直径 | 半径 | コーナー半径 | 刃長さ | 有効長 | 全長 | シャンク径 | |||
| D | R | CR | LC | L1 | L | d | ||||
| NNCH 超硬・高精度超硬エンドミル | D0.1~D0.9 | 0 -0.005 | R0.05~R2 | /-0.005 | CR0.05~CR0.5 | /-0.005 | 0 0.3 | 0 0.3 | 0.5 -0.5 | h5 |
| D1~D3.5 | 0 -0.005 | |||||||||
| D4〜D10 | -0.003 -0.015 | R3~R5 | /-0.005 | CR1.0~CR3.0 | /-0.008 | 0 0.5 | 0 0.5 | |||
| D12~D20 | -0.003 -0.018 | R6~R10 | /-0.008 | |||||||
NNCH-2B 超硬 2 枚刃ボールノーズ エンドミルは、直径 1 mm から 12 mm までのさまざまなサイズが用意されており、精密機械加工の柔軟性要件を満たすために、さまざまなニーズに応じてさまざまな刃長と全長に適合させることができます。さまざまな仕様とモデルを自由に選択できるため、さまざまな加工シナリオに適しており、精密加工タスクでの高い適応性が保証されます。
工具の切り込み角度を最適化したボールエンド形状設計により、複雑な平面加工に優れ、特に金型製作や精密部品加工など、高い仕上がりと高精度が要求される現場に最適です。ねじれ角30°の設計により、切削抵抗が低減され、切りくず除去効率が向上し、加工の安定性と工具寿命が向上します。
フライスは超微粒子超硬材料を使用し、高精度コーティング処理と組み合わせることで、耐摩耗性と耐チッピング性が大幅に向上します。全体の硬度はHRC≤65に達し、高硬度材料の加工において優れた切れ味と安定性を確保します。
炭素鋼、合金鋼、プリハードン鋼(HRC35~45)、焼き入れ鋼(HRC45~65)、高硬度調質鋼などの幅広い加工材に適しています。高精度な金型加工や高硬度材の高能率切削加工などに優れた性能を発揮します。
企業設立
従業員

Changzhou Maton Tools Co.,Ltd. is located in the economically developed Yangtze River Delta region.The factory is located in XixiashuHigh-tech Development Zone,a well-known tool town in China. We are 超硬2枚刃ボールエンドミル Manufacturers.
Magotantools take the ISO9001 quality system as the standard,under the guidanceof the business philosophy of"zero defect in products"and"zero distance in service",based on the spirit of"integrity","unity"and"exploita- tion",and follow a fair and just company style for management.Product production adopts five-axisand six-axis CNC grinding and machining centers from Germany,Switzerland,Japan,etc.,and is equipped with high-precision testing equipment such as Germany,Japan,and China,so as to meet the needs of production with high quality and quantity.
The company continuously develops various high-performance CNC tools, and has won various national awards. Professional 超硬2枚刃ボールエンドミル Company. More than 10 patents,the company's products are mainly used in the defense industry, aerospace industry,automotive industry,electronic products and molds and other fields.
The company's various products are recognized and favored by well-known domestic companies.With infinite technology,infinite creation,and pursuit of excellence,Magotan tools will write future prosperity and dreams with more extraordinary confidence and high-quality quality.
お問い合わせをいただいてから平日12時間以内にご返信させていただきます。
当社はメーカーであり、自社で製造、販売しています。
We mainly produce tungsten steel milling cutters, drill bits and other hard alloy tools. Professional 超硬2枚刃ボールエンドミル Manufacturers.
当社の製品は、金型産業、防衛産業、航空宇宙産業、自動車産業、電子製品およびその他の分野のほぼ全体をカバーしています。
Yes, our main focus is on customized products. We develop and produce products based on the drawings or samples provided by customers. Custom 超硬2枚刃ボールエンドミル.
We have over 30 units of WALTER from Germany, Makino from Japan, ROLLMATIC from Switzerland, and TTB from Switzerland, with an annual output value of 80 million RMB. We are 超硬2枚刃ボールエンドミル Company
まず、各工程後にそれぞれの検査を実施します。最終製品については、お客様の要件と国際基準に従って全数検査を実施します。
また、スペクトル分析装置や金属顕微鏡など、業界で最先端かつ完全なトップクラスの試験装置を備えており、切削工具の安定性と一貫性を確保しながら、お客様の切削工具に対する高精度の試験要件に応えます。
お見積りの際、取引方法(FOB、CIF、CNF、その他オプション)を確認させていただきます。大量生産の場合、通常、最初に30%を前払いし、船荷証券の提示時に残りの残金を支払います。支払い方法は主にT/Tを使用しますが、L/Cも受け付けます。