住所:
江蘇省常州市新北区西夏樹工業団地陽城湖路233-3号
• より優れたコーティング密着性を得るために、高度な技術を使用したダイヤモンドコーティングが使用されています。
• 高度な研削技術により、超長有効径内で超高同軸度、高温耐性、耐摩耗性が保証されます。
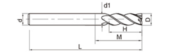
| モデル | 基本寸法(mm) | |||||
| D | H | M | d1 | d | L | |
| NNS-4T-D3M20 | 3.0 | 9 | 20 | 2.8 | 3 | 60 |
| NNS-4T-D4M25 | 4.0 | 12 | 25 | 3.7 | 4 | 60 |
| NNS-4T-D6M35 | 6.0 | 25 | 35 | 5.6 | 6 | 75 |
| NNS-4T-D8M35 | 8.0 | 25 | 35 | 7.6 | 8 | 75 |
| NNS-4T-D10M50 | 10.0 | 35 | 50 | 9.6 | 10 | 100 |
| NNS-4T-D12M65 | 12.0 | 50 | 65 | 11.4 | 12 | 100 |
| NNS-4T-D16M80 | 16.0 | 60 | 80 | 15.6 | 16 | 150 |
| NNS-4T-D3M30 | 3.0 | 12 | 30 | 2.8 | 3 | 75 |
| NNS-4T-D4M30 | 4.0 | 12 | 30 | 3.7 | 4 | 75 |
| NNS-4T-D3M30 | 3.0 | 9 | 30 | 2.8 | 3 | 100 |
| NNS-4T-D4M30 | 4.0 | 12 | 30 | 3.7 | 4 | 100 |
| NNS-4T-D6M40 | 6.0 | 25 | 40 | 5.6 | 6 | 100 |
| NNS-4T-D8M40 | 8.0 | 30 | 40 | 7.5 | 8 | 100 |
| NNS-4T-D6M40 | 6.0 | 25 | 40 | 5.6 | 6 | 150 |
| NNS-4T-D8M70 | 8.0 | 50 | 70 | 7.5 | 8 | 150 |
| NNS-4T-D10M70 | 10.0 | 50 | 70 | 9.6 | 10 | 150 |
| NNS-4T-D12M70 | 12.0 | 50 | 70 | 11.6 | 12 | 150 |
NNS-4T グラファイト加工用 4 フルート エンドミルは、切りくず排出を最適化するように設計された独自のフルート形状を備えており、グラファイト加工中の粉塵の蓄積を効果的に低減します。精密に設計された工具形状により、切れ味と耐久性のバランスが取れ、スムーズな切削性能が保証され、振動が最小限に抑えられ、表面品質が向上します。
このシリーズは高性能ダイヤモンドコーティングを施し、密着性を大幅に向上させるとともに、耐摩耗性、耐酸化性に優れています。高温・高速条件下でも優れた性能を維持します。高度な研削技術により、延長された有効切削長にわたって超高同心度が保証され、工具寿命を延長しながら優れた精度と安定性を実現します。
NNS-4Tは、径、刃長、シャンク径、全長の組み合わせが豊富で、複雑な精密加工や大型の高能率切削に最適です。多様な仕様により、ユーザーは特定の用途に最適なモデルを自由に選択することができ、効率的で信頼性の高いグラファイト加工を実現します。
企業設立
従業員

Changzhou Maton Tools Co.,Ltd. is located in the economically developed Yangtze River Delta region.The factory is located in XixiashuHigh-tech Development Zone,a well-known tool town in China. We are グラファイト加工用4枚刃エンドミル Suppliers.
Magotantools take the ISO9001 quality system as the standard,under the guidanceof the business philosophy of"zero defect in products"and"zero distance in service",based on the spirit of"integrity","unity"and"exploita- tion",and follow a fair and just company style for management.Product production adopts five-axisand six-axis CNC grinding and machining centers from Germany,Switzerland,Japan,etc.,and is equipped with high-precision testing equipment such as Germany,Japan,and China,so as to meet the needs of production with high quality and quantity.
The company continuously develops various high-performance CNC tools, and has won various national awards. Professional グラファイト加工用4枚刃エンドミル Factory. More than 10 patents,the company's products are mainly used in the defense industry, aerospace industry,automotive industry,electronic products and molds and other fields.
The company's various products are recognized and favored by well-known domestic companies.With infinite technology,infinite creation,and pursuit of excellence,Magotan tools will write future prosperity and dreams with more extraordinary confidence and high-quality quality.
お問い合わせをいただいてから平日12時間以内にご返信させていただきます。
当社はメーカーであり、自社で製造、販売しています。
We mainly produce tungsten steel milling cutters, drill bits and other hard alloy tools. Professional グラファイト加工用4枚刃エンドミル Suppliers.
当社の製品は、金型産業、防衛産業、航空宇宙産業、自動車産業、電子製品およびその他の分野のほぼ全体をカバーしています。
Yes, our main focus is on customized products. We develop and produce products based on the drawings or samples provided by customers. Custom グラファイト加工用4枚刃エンドミル.
We have over 30 units of WALTER from Germany, Makino from Japan, ROLLMATIC from Switzerland, and TTB from Switzerland, with an annual output value of 80 million RMB. We are グラファイト加工用4枚刃エンドミル Factory
まず、各工程後にそれぞれの検査を実施します。最終製品については、お客様の要件と国際基準に従って全数検査を実施します。
また、スペクトル分析装置や金属顕微鏡など、業界で最先端かつ完全なトップクラスの試験装置を備えており、切削工具の安定性と一貫性を確保しながら、お客様の切削工具に対する高精度の試験要件に応えます。
お見積りの際、取引方法(FOB、CIF、CNF、その他オプション)を確認させていただきます。大量生産の場合、通常、最初に30%を前払いし、船荷証券の提示時に残りの残金を支払います。支払い方法は主にT/Tを使用しますが、L/Cも受け付けます。